



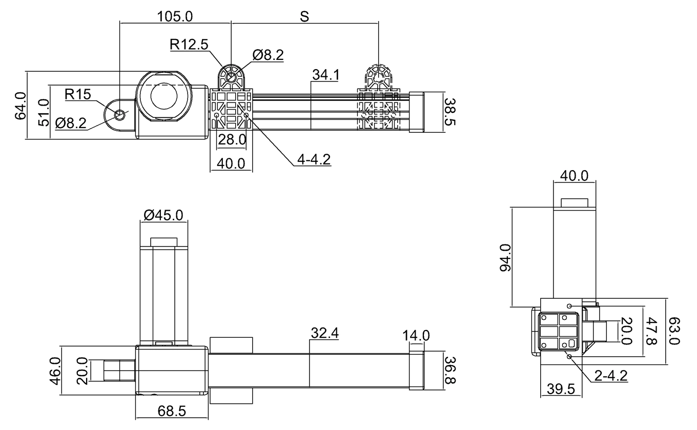
Bu IP3000H yüksek performanslı bir 12V/24V Doğrusal Aktüatör 2800N kuvvet üreterek. Sessiz çalışma (<48dB) için tasarlanmıştır; en iyi seçimlerden biridir Tıbbi ve endüstriyel hassas kontrol.
| Özellik | Teknik Veriler |
|---|---|
| Maks. Yük | 2800N (630 lbs) |
| Giriş Voltajı | 12V / 24V DC |
| Hız Aralığı | 5 mm/s – 88 mm/s |
| Strok Uzunluğu | 30mm – 1000mm (Özelleştirilebilir) |
| Gürültü Seviyesi | < 48 dB |
| Koruma | IP20 (Opsiyonel Su Geçirmez IP66) |
Bu ürünle ilgili fiyat teklifi ve bilgi almak için bizimle iletişime geçin:
Bu IP3000H sert ortamlar için tasarlanmıştır, hassas Endüstriyel Otomasyon çözümler sunmaktadır. Gürültü seviyeleri 48dB'nin altındadır, hassas Sağlık Hizmetleri & Tıbbi Ekipman hastane yatakları veya sessiz laboratuvarlar gibi.
Ar-Ge ekibimiz IP3000H'yi geliştirdi hassas işlenmiş iç dişlilerle endüstriyel hareket kontrol sistemleri ile sorunsuz entegrasyonu sağlamak için. 2800N'ye kadar itme-çekme yüklerini kolayca kaldırabilir. Bu yüksek kaliteli 6061 alüminyum alaşımı kasası 24 saat tuz spreyi testine tabi tutuldu, hafifliği korurken garanti ediliyor. 12V DC doğrusal aktüatör veya 24V DC doğrusal aktüatör seçseniz de, güvenilir performans sağlayabilirsiniz.
Sorunsuz entegrasyonu sağlamak için, bu aktüatörü ağır hizmet tipi sorunsuz senkronizasyon için eşleştirin. braketlerimizle güvenli montaj için eşleştirmeyi öneririz. Senkronize çoklu sürüş sistemleri için, IP3000H mükemmel bir şekilde çalışır IPC4 24V kontrol kutusu ile, güvenilir Kontrol Kutuları & Kontrol Cihazları performans sağlarken.
| Tasarım Parametreleri | Teknik Detaylar/Toleranslar |
|---|---|
| Giriş voltajı | 3000N'dan 100N'a (674'ten 22 pound'a) |
| 5000 N (1124 lbs) statik yük | 2800N (630 lbs) |
| Eş zamanlı olarak 2 aktüatörü kontrol edebilir | 5 mm/s ile 88 mm/s |
| Bağlı aktüatöre bağlıdır | 30mm'den 1000mm'ye (özelleştirilebilir) |
| Koruma seviyesi | IP20 (IP65/66 OEM yoluyla sağlanabilir) |
| -40 ° C ile +85 ° C | -20 °C ile +60 °C |
| Gürültü seviyesi | <48 desibel (kütüphane seviyesi sessiz) |
| Sertifikasyon | CE ve RoHS standartlarına uygundur. |
Güneş izleme sistemi hassas konumlandırma ve sürüş yetenekleri gerektirir. Güneş panelleri için bu elektrikli sürücüyü, belirgin açı hizalamasını sağlamak için bir Hall sensör geri bildirim döngüsü ile birlikte kullanabilirsiniz. 12V DC doğrusal aktüatör seçeneği, şebeke dışı sistemler için oldukça uygundur.
Kombine hasat makineleri gibi tarım makineleri bileşenlerini düşünün. Sağlam, dayanıklı ve toz geçirmez doğrusal hareket çözümüne ihtiyaç duyarlar. Temel modelin koruma seviyesi IP20'dir ve aktüatörü IP66 koruma seviyesine yükseltme talebinde bulunabilirsiniz, böylece yıkama ortamına uyarlanabilir. Bu esneklik bakım döngülerini azaltabilir ve yatırım getirisini iyileştirebilir.
Tıbbi yataklar da sessiz çalışmadan faydalanabilir. Potiometreli doğrusal aktüatör kurarak pürüzsüz yükseklik ayarlaması yapabilirsiniz. Kendinden kilitleme özelliğine sahip aktüatörler, fren sistemine ihtiyaç duymadan pozisyonlarını koruyabilir. Bu enerji tasarrufu sağlar ve sürekli çalışma döngülerinde ısı birikimini azaltır.
Biz sadece ürün satmıyoruz. ActuLift, belirli strok uzunluğunuza veya özelleştirilmiş montaj braketine göre özelleştirilebilen OEM aktüatör üretim hizmetleri sunmaktadır. Analog kontrol için potansiyometreli doğrusal aktüatörlere veya otomatik üretim hatları için PLC uyumlu hareket donanımına ihtiyacınız olabilir.
Ekibimiz prototipten seri üretime kadar tüm süreci destekler. Küresel B2B tedarik zincirlerini kolaylaştırırız ISO9001 sertifikalı iş akışlarıyla ve kapsamlı 0 tam yüklü sevkiyat öncesi denetimleriyle. Yeterli stok tutuyoruz, bu nedenle tedarik zinciri sorunları için endişelenmek zorunda kalmazsınız.
Profesyonel destek ekibimiz, belirli yük özelliklerine dayalı olarak uygun DC motor doğrusal sürüş sistemini seçmenizde size yardımcı olacaktır. Her B2B güç iletim ürünü siparişinin zamanında teslim edilmesini garanti ediyoruz.
IP3000H, sağlam mekanik güç iletimini sessiz çalışmayla mükemmel bir şekilde birleştirir, doğrusal kaydırma sensör aktüatörlerinin karmaşık sorununu verimli bir şekilde çözer. ActuLift ile iş birliği yaparak endüstriyel sınıf hareket kontrolü güvencesinde izlenebilir kalite belgeleri. Uygun bir fiyata mükemmel mühendislik tasarımı elde edeceksiniz.
