



ขาตั้งตัวกระตุ้นแบบแบน ขาตั้งตัวกระตุ้นแบบแบน เป็นโซลูชันการติดตั้งที่มีความแข็งแรงสูงที่ออกแบบมาสำหรับ แอกทูเอเตอร์เชิงเส้นที่ทนทาน. ถูกออกแบบมาสำหรับ อัตโนมัติในอุตสาหกรรม, มันให้ความเสถียรที่ไม่เหมือนใครสำหรับการใช้งานที่มีการเดินทางสูง
| ฟีเจอร์ | ข้อมูลทางเทคนิค |
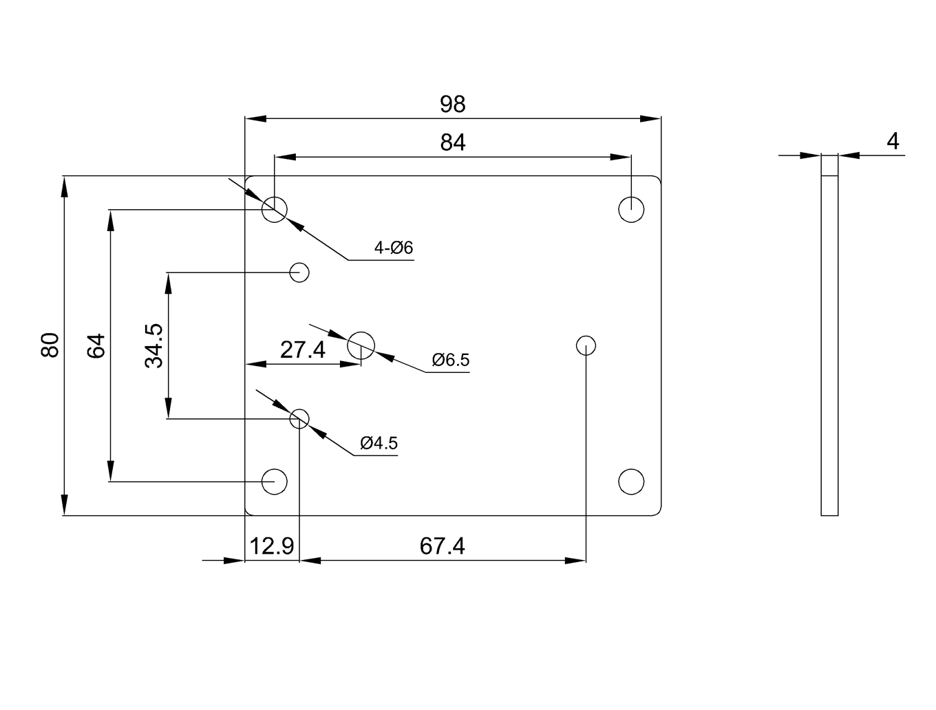
| วัสดุ | เหล็กกล้าคาร์บอนรูปแบบ 4 มม. |
| คุณภาพ | เคลือบผงสีดำกันสนิม |
| ความเข้ากันได้ | IP1200, IP3000, IP800 ซีรีส์ |
| รูปแบบรู | 4 x Ø6 มม. (ระยะห่างมาตรฐาน 84 มม.) |
| ความจุในการรับน้ำหนัก | ได้รับการปรับให้เหมาะที่สุดสำหรับระบบแรงสูง |
ติดต่อเราเพื่อต้องการราคาและข้อมูลเกี่ยวกับผลิตภัณฑ์นี้:
คุณต้องการความมั่นคงอย่างแท้จริงในสภาพแวดล้อมอุตสาหกรรมที่มีพลศาสตร์ ขาตั้งนี้รักษาความปลอดภัยให้กับ แอกทูเอเตอร์เชิงเส้น ต่อการสั่นสะเทือนและแรงเฉือนระหว่างการทำงานต่อเนื่อง วิศวกรแนะนำขาตั้งแบบแบนนี้สำหรับ IP1200 และ IP3000 หน่วยซีรีส์ ที่ การติดตั้งที่แม่นยำ ช่วยป้องกันความล้มเหลวทางกลที่ร้ายแรง เราออกแบบขาตั้งเหล็กนี้ ติดตั้งเหล็ก เพื่อลดการเบี่ยงเบนการจัดตำแหน่งในระหว่างการใช้งานที่มีรอบสูง ระบบการเคลื่อนที่เชิงเส้น การดำเนินงานของคุณ ชุดติดตั้ง ต้องไม่มีการปรับเปลี่ยนสำหรับมาตรฐาน ด้านบนแบบมีเกลียวและด้านล่างราบ การกำหนดค่า นี้ ฐานกระตุ้น ทำหน้าที่เป็นอินเตอร์เฟสที่สำคัญระหว่าง มอเตอร์ไฟฟ้าของคุณ และกรอบโครงสร้าง
มาตรฐาน อลูมิเนียมอัลลอย ขารับมักจะยืดหยุ่นใต้ สภาวะโหลดสูง ทำให้เกิดการสึกหรอเร็วกว่าที่ควร อย่างไรก็ตาม ActuLift ได้ออกแบบใหม่แกนหลักโดยใช้เหล็กกล้าคาร์บอนที่ขึ้นรูป เพื่อ resist การเปลี่ยนรูปถาวร เราใช้ สีผงดำ เพื่อความเหนือกว่า ความต้านทานต่อสนิม ในสภาพแวดล้อมที่รุนแรง อุตสาหกรรมทางทะเล การติดตามพลังงานแสงอาทิตย์ หรือ การใช้งาน ทีมงาน ISO 9001 ของเรารับรองว่าทุก ชุดอุปกรณ์ติดตั้ง ที่ชุด ทีมวิศวกรรม ActuLift ใช้การวิเคราะห์องค์ประกอบขั้นสุดท้าย (FEA) เพื่อลอกเลียนแบบการกระจายความเครียดภายใต้การโหลดสูงสุด 3000N+ นี่จะทำให้ขารับรักษาความเป็นหนึ่งเดียวแบบไม่มีการยืดหยุ่นแม้ในระหว่างการเคลื่อนที่แบบขับเคลื่อนด้วยความถี่สูงก่อนการผลิต คุณได้รับการสนับสนุนเชิงกลที่ดีกว่าผลิตภัณฑ์ทั่วไป วิธีการแบบ U โซลูชัน สำหรับการจัดการระบบที่ซับซ้อน ให้จับคู่ฐานนี้กับของเรา เพื่อความสอดคล้องที่ไร้ที่ติ กล่องควบคุมและคอนโทรลเลอร์ ข้อมูลจำเพาะทางเทคนิค
| รายละเอียดทางเทคนิค / ข้อกำหนด | องค์ประกอบวัสดุ |
|---|---|
| เหล็กกล้าคาร์บอนที่ขึ้นรูป | ความหนาแน่นโครงสร้าง |
| เหล็กกล้าคาร์บอนเย็นรีดเสริมความแข็งแรงขนาด 4 มม. (เทียบเท่า ASTM A36) | รูปแบบรูติดตั้ง |
| 4 x Ø6 มม. (ระยะห่าง 84 มม.) | ความยาวรวม |
| 98 มม. | การตกแต่งผิว |
| สีผงดำ / การชุบสังกะสี | การสนับสนุนโหลด |
| เข้ากันได้กับชุดโหลดสูง IP3000 | เข้ากันได้กับ IP3000 ซีรีส์ความจุสูง |
| ความเข้ากันได้ | IP1200, IP800, IP40, IP42 ซีรี่ส์ |
| การรับรอง | ISO 9001 ผลิตโดย |
ติดตั้งสิ่งนี้ ขาตั้งอุตสาหกรรม ใน ระบบ HVAC เพื่อการควบคุมชิ้นงานที่แม่นยำ ฐานที่ติดตั้งด้วยสลักเกลียว ทำให้การ ทำเองด้วยการควบคุมอัตโนมัติ หรือซับซ้อน หุ่นยนต์ การรวมตัวโดยไม่ต้องใช้การผลิตแบบพิเศษ โครงติดตั้งแผงโซลาร์เซลล์ มีประโยชน์จาก ความต้านทานต่อสภาพอากาศ เสร็จสิ้นในระหว่างการสัมผัสกับฝนหรือน้ำเกลือ คุณสามารถทำให้การติดตั้งง่าย ในขณะที่รักษา ความสามารถในการรับแรง ความสมบูรณ์ในระยะเวลาหลายพันรอบ เตียงทางการแพทย์ ใช้การติดตั้งนี้ สำหรับการควบคุมการเคลื่อนไหวอย่างเงียบ ในวอร์ดดูแลผู้ป่วย การออกแบบขาตั้งแบบสากล ลด ค่าใช้จ่ายในการเปลี่ยนขาตั้ง สำหรับผู้จัดการสิ่งอำนวยความสะดวก การติดตั้งเปิดประตู การใช้งานขึ้นอยู่กับการสนับสนุนนี้ สำหรับการดำเนินการความปลอดภัยในแต่ละวัน ปรับแต่ง ActuLift OEM & การจัดหาทั่วโลก รุ่นหนัก ActuLift ให้บริการ
และการปรับแต่ง ความยาวที่กวัดแกว่ง เพื่อความต้องการเฉพาะของคุณ กระบอกไฟฟ้า ที่เรานำเสนอ ระบบควบคุมแบบเพลทและเล่น ที่มี เซ็นเซอร์ Hall สำหรับการรวมตัวเชิงอุตสาหกรรม IoT ขั้นสูง สำหรับขั้นสูง IoT อุตสาหกรรม การรวมระบบ. ของเรา การทดสอบภาระ 100% การรับประกันประสิทธิภาพก่อนส่งไปยังสถานที่ของคุณ คุณจะได้รับการสนับสนุนด้านวิศวกรรมเฉพาะจากต้นแบบจนถึงการผลิตจำนวนมากโดยไม่มีความล่าช้า เราส่งออกไปทั่วโลกด้วย มาตรฐาน NEMA การปฏิบัติตามและพันธมิตรด้านการขนส่งที่เชื่อถือได้ ทีมงานของเราช่วยในการ จุดหมุน การเพิ่มประสิทธิภาพสำหรับ การสนับสนุนทางกลของคุณ ความต้องการ เชื่อมั่นใน อุปกรณ์เสริมอัตโนมัติของเรา ห่วงโซ่อุปทานเพื่อคุณภาพที่สม่ำเสมอ
รักษาความปลอดภัยการเคลื่อนไหวเชิงเส้นของคุณ ด้วยความสมบูรณ์ของเหล็กที่ตรวจสอบและการออกแบบที่ขับเคลื่อนด้วยข้อมูล ActuLift จัดส่ง สำหรับสิ่งสำคัญ การติดตั้งที่แม่นยำ ทั่วโลก อุปกรณ์เสริมอัตโนมัติของเรา . ประสิทธิภาพที่ได้รับการรับรอง: ทุกชุดจะต้องผ่านการทดสอบภาระเชิงกล 100% และการตรวจสอบการกัดกร่อนจากสเปรย์เกลือ (ASTM B117) เพื่อรับประกันอายุการใช้งาน 5 ปีขึ้นไปในสภาพแวดล้อมที่ทรหด
